YX100/150系列電接點壓力表是用于測量對銅和銅合金不起腐蝕作用的氣體、液體介質的正負壓力,并在壓力達到預定值時發出信號,接通控制電路,達到自動控制的報警得目的。
電接點壓力表具有測量控制功能,可任意設定上、下控制壓力值,動作穩定可靠,在石油、化工、電站、冶金等工業企業及機電設備上廣泛配套使用。
一、電接點壓力表結構原理:
儀表由測量系統、指示裝置、磁助電接點裝置、外殼、調節裝置及接線盒等組成。
當被測壓力作用于彈簧管時,其末端產生相應的彈性變形—位移,經傳動機構放大后,由指示裝置在度盤上指示出來。同時指針帶動電接點裝置的活動觸點與設定指針上的觸頭(上限或下限)相接觸的瞬時,致使控制系統接通或斷開電路,以達到自動控制和發信報警的目的。
二、技術指標:
1.接點裝置電氣參數及控制形式:
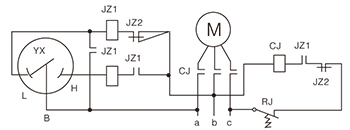
2.電氣電路連接示意圖:
三、電接點壓力表外形尺寸圖:
| 觸頭功率 | 高工作電壓 | 大工作電流 | 控制形式 |
| 30VA(阻性負載) | 220V D.C或380V A.C | 1A | 上下限、雙上限、雙下限 |
2.電氣電路連接示意圖:
![]() |
JZ1、JZ2-繼電器及觸點 CJ-接觸器及觸點 RJ-熱繼電器 M-電機 YX-電接點壓力表 L-下限接點(綠) H-上限接點(紅) B-公共接點(黃) |
三、電接點壓力表外形尺寸圖:

| 型 號 | D | H | H1 | H2 | D0 | d | d1 | B | B1 | L | L1 |
| YX-60 | Φ60 | 46 | 13 | M14*1.5 | 56 | 72 | 14 | ||||
| YX-100 | Φ100 | 95 | 17 | M20*1.5 | 87 | 121 | 20 | ||||
| YX-100ZT | 96 | 33 | 30 | 118 | 5.5 | 115 | |||||
| YX-150 | Φ150 | 78 | 40 | 17 | 165 | M20*1.5 | 5.5 | 113 | 150 | 20 | |
| YX-150ZT | 78 | 30 | 100 |

YX-100/150電接點壓力表
YX-100/150B不銹鋼電接點壓力表
YEX-100/150膜盒電接點壓力表
YEX-100/150B不銹鋼膜盒電接點壓力表
YNX-100/150耐震電接點壓力表
YNX-100/150B不銹鋼耐震電接點壓力表
YENX-100/150膜盒耐震電接點壓力表
YENX-100/150B不銹鋼膜盒耐震電接點壓力表
YX-100/150/MF/ML隔膜電接點壓力表
YX-100/150B/MF/ML不銹鋼隔膜電接點壓力表
YNX-100/150/MF/ML耐震隔膜電接點壓力表
YNX-100/150B/MF/ML不銹鋼耐震隔膜電接點壓力表
YX-100/150B不銹鋼電接點壓力表
YEX-100/150膜盒電接點壓力表
YEX-100/150B不銹鋼膜盒電接點壓力表
YNX-100/150耐震電接點壓力表
YNX-100/150B不銹鋼耐震電接點壓力表
YENX-100/150膜盒耐震電接點壓力表
YENX-100/150B不銹鋼膜盒耐震電接點壓力表
YX-100/150/MF/ML隔膜電接點壓力表
YX-100/150B/MF/ML不銹鋼隔膜電接點壓力表
YNX-100/150/MF/ML耐震隔膜電接點壓力表
YNX-100/150B/MF/ML不銹鋼耐震隔膜電接點壓力表









![[list:title]](/uploads/allimg/180720/1-1PH0110037.jpg)
