YX-160-B防爆電接點壓力表用于有爆炸危險的場所內用來測量非結晶、非凝固的爆炸性混合物或各種無爆炸性的介質壓力,具有相應防爆性能或采取相應措施的電氣器件(如繼電器及接觸器等)配套使用,便能對被控系統實現自動控制和發信(報警)的目的。
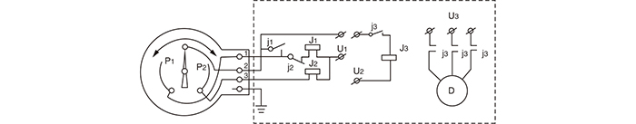
一、儀表結構與測量原理:
防爆電接點壓力表由隔爆外殼、測量系統、電接點組、調節裝置和出線盒等組成。防爆電接點壓力表儀表的隔爆外殼具有良好的隔爆性能,因此對在正常工作過程中由于火花或電弧的影響,除防爆電接點壓力表了能承受殼體內部的爆炸性氣體混合物在一旦引起爆炸時產生的爆炸壓力外,并能有效地阻止由此產生的熱能向外順利傳播,而只能在殼體內部沿著隔爆接合面的微小縫隙處緩慢地向外擴散。這時,傳至殼體外部的瞬間溫度已降低到爆炸性氣體混合物的燃點溫度以下,故不會導致傳爆。
防爆電接點壓力表的工作原理是基于檢測元件(測量系統中的彈簧管)的彈性變形,通過機械傳動使之帶動電接點組中的觸頭產生相應的動作(閉合或斷開)以使控壓系統中的電路得以接通或斷開,從而實現自動控制報警和現場指示的目的。
二、技術參數:
1.量程范圍:0~0.16~60MPa;
2.精確度等級:1.5;
3.控制方式:上、下限緩行接點開關;
4.高工作電壓:DC 220V或AC 380V;
5.觸頭功率:10VA;
6.工作位置:垂直安裝;
7.使用環境條件:-10~50℃,相對濕度不大于80%,且爆炸性混合物應屬于ⅡB級T4組以下,工作振動和被測介質的急劇脈動應對儀表觸頭的可靠動作無影響?! ?/span>
8.溫度影響:示值不大于0.4%/10℃,設定點不大于0.6%/10℃(使用溫度偏離20±5℃);
9.絕緣強度:50Hz正弦交流電2000V歷時一分鐘;
10.重量:6kg

· 隔爆接合面型式及其基本參數
注:隔爆接合面的有效長度和間隙寬度的范例可參見隔爆外殼結構示意圖。
· 隔爆外殼及導壓系統等零件和材質
注: 防爆電接點壓力表的觀察窗的材質其抗沖擊強度不小于4J。觀察窗一旦損壞,則不準使用。
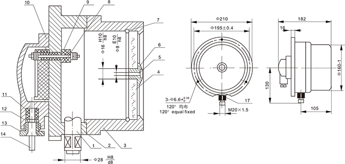
三、防爆電接點壓力表外形尺寸圖:
| 外殼容積V(L) | >0.5 | |
| 接合面型式 | 平面 | 圓筒(可動部份) |
| 隔爆接合面的小有效長度Lmm | 15 | |
| 螺釘通孔邊緣至隔爆接合面小有效長度L1 | 8 | |
| 隔爆接合面大間隙或直徑差Wmm | 0.15 | |
| 隔爆接合面的表面粗糙度Ra | 3.2 | 1.6 |
· 隔爆外殼及導壓系統等零件和材質
| 零件名稱 | 材料牌號或名稱 | 零件名稱 | 材料牌號或名稱 |
| 驅殼蓋 |
ZL102 (或ZL-102,ZL-101) |
薄墊圈 | L3 |
| 出線盒 | 接頭 | 20 | |
| 軸套 | QAJ9-2 | 彈簧管 | 3J53 |
| 觀察窗 | 有機玻璃 |
三、防爆電接點壓力表外形尺寸圖:










![[list:title]](/uploads/allimg/180720/1-1PH0213255.jpg)